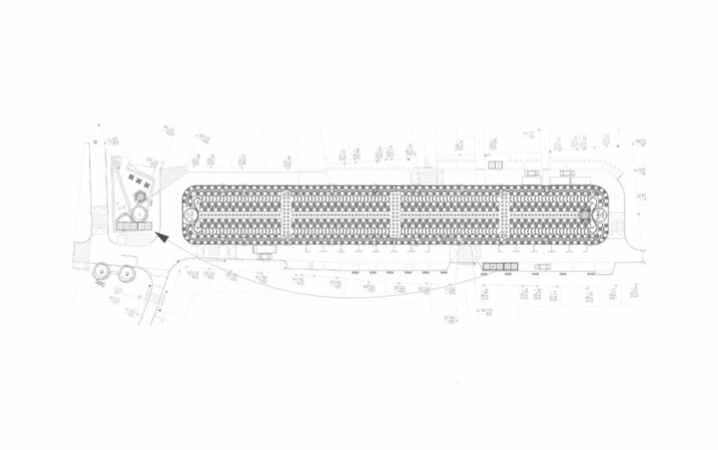
Imagem 1— Foto-montagem evidenciando o impacto visual negativo dos cinco contentores subterrâneos previstos para a deposição de lixos
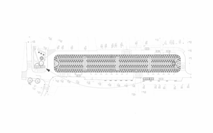
Imagem 2— Proposta alternativa para a localização dos contentores subterrâneos previstos para a deposição de lixos, permitindo a descarga pelo camião de recolha de lixo sem comprometer o trânsito
Jaime Neto apresentou, em nome dos Grupos Municipais do Partido Socialista e do Centro Democrático e Social/ Partido Popular, uma Proposta de alteração urbanística em defesa do valor e integridade arquitectónica do edifício da actual Junta de Freguesia de Nª Srª do Pópulo, Coto e S. Gregório.
A proposta foi votada e rejeitada por 20 votos contra (PSD), e 12 votos a favor (PS+CDS/PP+MVC+PCP).
Proposta de alteração urbanística em defesa do valor e integridade arquitectónica do edifício da actual Junta de Freguesia de Nª Srª do Pópulo, Coto e S. Gregório
Os grupos do Partido Socialista e do Centro Democrático e Social / Partido Popular na Assembleia Municipal das Caldas da Rainha, ao abrigo do artigo 20º do “Regimento da Assembleia Municipal das Caldas da Rainha”, vêm apresentar por este meio uma proposta de alteração urbanística em defesa do valor e integridade arquitectónica do edifício da Junta de Freguesia de Nª Srª do Pópulo, Coto e S. Gregório, tendo em conta as seguintes considerações justificativas:
- O edifício onde está actualmente instalada a Junta de Freguesia de Nª Srª do Pópulo, Coto e S. Gregório (ex-Paços do Concelho e Cadeia) é um monumento classificado como “Imóvel de Interesse Público (IIP, grau 2)”, protegido pelo Decreto n.º 29/84, DR, 1.ª série, n.º 145 de 25 junho 1984;
- De acordo com o “Sistema de Informação para o Património Arquitectónico” (SIPA) o grau 2 de classificação é descrito nos seguintes termos: 2 – imóvel ou conjunto com valor tipológico, estilístico ou histórico ou que se singulariza na massa edificada, cujos elementos estruturais e características de qualidade arquitectónica ou significado histórico deverão ser preservadas;
- Trata-se de um emblemático edifício de 1747, quando D. João V encarrega o engenheiro militar Manuel da Maia da construção de um novo edifício para albergar os Paços do Concelho, mais digno do que aquele que até então funcionava e que foi destruído pela remodelação do Hospital termal, concluído em 1750, estando por isso intimamente ligado à História e Identidade do Município das Caldas da Rainha;
Face às considerações justificativas acima invocadas, os grupos do Partido Socialista e Centro Democrático e Social/ Partido Popular propõem o seguinte:
- Rejeitar a localização proposta para os cinco contentores subterrâneos previstos para a deposição de lixos no espaço fronteiro à fachada principal do acima mencionado edifício, pelos motivos acima invocados e visíveis na foto-montagem em anexo;
- Propôr uma localização alternativa no espaço situado no topo da Praça da República, conforma desenho em anexo, permitindo o estacionamento do camião de recolha do lixo sem comprometer o trânsito;
Caldas da Rainha, 17 de junho de 2014
Os grupos do Partido Socialista e do Centro Democrático e Social/ Partido Popular na Assembleia Municipal das Caldas da Rainha
| (Manuel Nunes) | (Jaime Neto) | (Luísa Barbosa) | (José Abegão) | (Pedro Seixas) | (Conceição Paramos) |
| (Luís Gil) | (João Dinis) |

